Stufe 1
- Personal:
-
-
Qualifiziertes Fachpersonal (QFP)
Qualifiziertes Fachpersonal verfügt im Land der Inverkehrbringung der Kompressoranlage über eine anerkannte Ausbildung sowie über entsprechende Kenntnisse und fachliche Erfahrung. Dadurch können die übertragenen Aufgaben verstanden sowie Gefahren erkannt und vermieden werden. Die Ausbildung und Qualifikationen müssen durch anerkannte Zertifikate oder behördliche Zulassungen belegt werden, sofern dies national vorgeschrieben ist.
-
- Material:
-
-
Hochtemperaturfett Bestellnr. N19753
Spezialfett mit Temperaturbereich -180 °C ... +1200 °C,
-
Temperaturbeständiges Silikon-Dichtmittel Bestellnr. N18247 (50 g)
Temperaturbeständiges Dichtmittel auf Silikon-Basis zur Dichtung von Metall auf Metall bei Hochtemperaturverbindungen, z. B. Rohrverschraubungen, Ventilköpfe, Zylinder.
-
Kompressoröl
Zu Typ des Kompressoröls, linktarget doesn't exist but @y.link.required='true'.
-
Schraubensicherung Loctite 243, Bestellnr. 28222
-
Tuch
Sauberes Tuch, fusselfrei, idealerweise aus Mikrofaser
-
Reinigungs- und Schmiermittel VM 40111
-
Dichtfett Bestellnr. 072500
Spezialfett zur Schmierung von O-Ringen und Dichtungen zur Erhöhung der Lebensdauer, geeignet für Sauerstoff, Atemluft und Nitrox.
-

1
Stufe 1
Voraussetzungen
-
Die Anlage ist ausgeschaltet ⮫ „Kurzfristige Außerbetriebnahme“.
-
Gegen Wiedereinschalten gesichert.
-
Die Anlage ist drucklos ⮫ „Anlage drucklos machen“.
-
Die rechte obere Seitenverkleidung ist demontiert⮫ „Rechte obere Seitenverkleidung demontieren“




GEFAHR

Platzhalter Warnhinweis ???
Reinigung
-
Alle demontierten Teile mit Isopropylalkohol reinigen oder falls vorhanden mit einem Ultraschallbad.
-
Reinigungslösungen vollständig mit sauberer Druckluft ausblasen.
-
Alle Teile vollständig trocknen lassen, bevor man diese wieder zusammenbaut.
Montage von O-Ringen & Rohrleitungen oder Schrauben
-
O-Ringe vor Montage mit speziell vorgeschriebenen Fett schmieren.
-
Als Montagehilfe einen Schlitz Schraubendreher verwenden.
-
Rohrleitungen oder Schrauben, Gewinde vor der Montage mit der Hochtemperaturpaste bestreichen.
-
Dichtsilikonpaste
Montagehilfe
-
Sollten die Rohrleitungen festsitzen, diese mit einem leichten Schlag mit einem lösen.
-
Bauteile die in den Schraubstock gespannt werden immer verwenden.
-
Ansaugung demontieren
Abb. 311: Detail Grafik Stufe 1 
1
Befestigungsmuttern
2
Ventilkopf
3
Überwurfmutter Wellschlauch Ansaugung
4
Wellschlauch Ansaugung
5
Ansaugkrümmer
6
Befestigungsschrauben
-
Ansaugschlauch (4) abnehmen.
-
Ansaugkrümmer (5) abnehmen.
-
Ventilkopf demontieren
-
Befestigungsmuttern (1) abschrauben und entfernen.
-
Abb. 312: Kurbelwellengehäuseentlüftungsleitung und Rohrleitung zum Zwischenkühler 
Überwurfmutter Kurbelwellengehäuseentlüftungsleitung lösen und demontieren, dabei auf das gegenhalten achten.
-
Überwurfmutter Rohrleitung zum Zwischenkühler lösen und demontieren.
-
Bei festsitzendem Ventilkopf (2) leichten Schlag mit Kunststoffhammer ausführen zum demontieren.
-
Kolbenringverschleiß kann im eingebauten Zustand nicht geprüft werden. Dafür muss eine Blow-By Messung durchgeführt werden.
-
Saug/Druckventil demontieren
-
Ventilkopf (2) aus dem Schraubstock entfernen.
-
Ventilkopf (2) umgedreht auf die Werkbank legen.
-
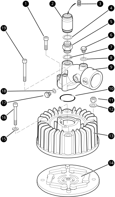
Abb. 313: Ventilkopf Stufe 1 mit Lamellenventil 
1
Befestigungsschraube
2
Überströmventil
3
Druckfeder
4
Dichtring
5
Doppelnippel
6
Verschlußschraube
7
Dichtring
8
Dichtring
9
Ansaugkrümmer
10
Dichtring
11
Befestigungsmutter (4x)
12
U-Scheibe (4x)
13
Ventilkopf
14
Lamellenventil
15
U-Scheibe
16
Befestigungsschraube
17
Verschlußschraube
18
Dichtring
19
Befestigungsschraube
Lamellenventil (14) bei festem Sitz mit leichten umlaufenden Schlägen lockern.
-
Lamellenventil (14) mit spitzem Schlitz-Schraubdreher vorsichtig ab hebeln.
-
Sichtkontrolle auf Beschädigungen, Verkokungen und Ablagerungen durchführen.
-
Ventilkopf (13) mit fusselfreiem Tuch abwischen.
-
Restliche Partikel mit Druckluft (max. 2 bar) ausblasen.
-
Neues Lamellenventil montieren
Abb. 314: Lamellenventil 
1
Zentrierhülse
-
Befestigungsschraube des Lamellenventils (16) mit 1-2 Tropfen Schraubensicherungsmittel versehen.
-
Befestigungsschraube des Lamellenventils (16) einsetzen handfest anziehen.
-
Diese mit dem Drehmomentschlüssel 25 Nm festziehen.
-
Ventilkopf montieren
Vormontierten Ventilkopf (13) auf den Zylinder setzen.
-
Ventilkopf (13) auf richtigen Sitz prüfen.
-
Neue U-Scheiben (12) auflegen.
-
Selbstsichernde Muttern (11) handfest anziehen.
-
Selbstsichernde Muttern (11) mit Drehmomentschlüssel in zwei Schritten auch gegenüberliegend auf 45 Nm festziehen (zuerst ca. 20 Nm, dann 45 Nm).
-
Rohrleitungen montieren
Gewinde und Konen der Schneidringverschraubungen mit Hochtemperaturpaste bestreichen.
Rohrleitungen des Zwischenkühlers montieren.
-
Überwurfmuttern handfest anziehen.
-
Mit dem Gabelschlüssel anziehen bis ein Widerstand bemerkbar.
-
Nun 90 grad weiter festziehen (dabei gegenhalten).
-
Leitung der Kurbelwellengehäuseentlüftung wieder einsetzen und die Überwurfmuttern festziehen.
Wartungstätigkeit der 1 Stufe ist abgeschlossen.
Stufe 2 und 3
Voraussetzungen
-
Die Anlage ist ausgeschaltet ⮫ „Kurzfristige Außerbetriebnahme“.
-
Gegen Wiedereinschalten gesichert.
-
Die Anlage ist drucklos ⮫ „Anlage drucklos machen“.
-
Die linke obere Seitenverkleidung ist demontiert ⮫ „Linke obere Seitenverkleidung demontieren“.
-
Die rechte obere Seitenverkleidung ist demontiert⮫ „Rechte obere Seitenverkleidung demontieren“
-
Platzhalter Schutzausrüstung ???
-
Platzhalter Werkzeug ???
-
Platzhalter Material ???

1
Stufe 2

1
Stufe 3
Reinigung
-
Alle demontierten Teile mit Isopropylalkohol reinigen oder falls vorhanden mit einem Ultraschallbad.
-
Reinigungslösungen vollständig mit sauberer Druckluft ausblasen.
-
Alle Teile vollständig trocknen lassen, bevor man diese wieder zusammenbaut.
Montage von O-Ringen & Rohrleitungen oder Schrauben
-
O-Ringe vor Montage mit speziell vorgeschriebenen Fett schmieren.
-
Als Montagehilfe einen Schlitz Schraubendreher verwenden.
-
Rohrleitungen oder Schrauben, Gewinde vor der Montage mit der Hochtemperaturpaste bestreichen.
-
Dichtsilikonpaste
Montagehilfe
-
Sollten die Rohrleitungen festsitzen, diese mit einem leichten Schlag mit einem Kunststoffhammer lösen.
-
Bauteile die in den Schraubstock gespannt werden immer Schonbacken verwenden.
-
Saugventil Spezial Ventilschlüssel
Material
-
Spezial Ventilschlüssel
-
Anschlussleitungen demontieren
Abb. 317: Detail Ansicht Stufe 2 
1
Verbindungsanschluss der Rohrleitung zu Stufe 1
2
Rohrleitung (mit Überwurfmutter) zum Zwischenkühler/Zwischenabscheider
Überwurfmutter des Verbindungsanschluss der Rohrleitung zu Stufe 1 (1) lösen.
-
Rohrleitung (1) abnehmen.
-
Überwurfmutter der Rohrleitung zum Zwischenkühler/Zwischenabscheider (2) lösen.
-
Rohrleitung (2) ebenfalls abnehmen.
-
Abb. 318: Rohrleitung des Sicherheitsventils der 1. Stufe 
Rohrleitung des Sicherheitsventils der 1. Stufe wieder ausbauen.
-
Ventilkopf demontieren
Abb. 319: Ventilkopfschrauben demontieren 
1
Ventilkopfschrauben (6x)
2
Ventilkopf
3
Zylinder
Ventilkopfschrauben (1) gegenüberliegend lösen und herausschrauben.
-
Falls nötig Ventilkopf (2) mit einem leichten Schlag mit dem Kunststoffhammer lösen und nach oben abnehmen.
-
Saug-Druckventil demontieren
Ventilkopf (2) in den Schraubstock einspannen.
-
Abb. 320: Niederhalter und Oberteil der Ventilkappen demontieren 
1
Selbstsichernde Mutter (2x)
2
U-Scheibe (2x)
3
Niederhalter
4
Ventilkappe, Oberteil (2x)
5
Stiftschraube (2x)
-
Abb. 321: Ventilkopf Stufe 2 mit Saug-Druckventile 
1
Ventilkappe, Oberteil
2
Stützring
3
O-Ring
4
Bohrung
5
Ventilkappe, Unterteil
6
Druckventil
7
Saugventil
8
Bohrung im Ventilkopf
9
Ventilkopf
-
Jeweils die aufliegende Stützringe (2) entfernen.
-
Jeweils die aufliegende O-Ringe (3) entfernen.
-
Ventilkappen, Unterteile (5) nach oben herausziehen.
-
Stützring (2) entfernen.
-
O-Ring (3) entfernen.
-
Ventilkopf (9) mit Isopropylalkohol oder Ethanol reinigen.
-
Ventilkopf (9) um 180 grad drehen und trocken abwischen.
-
Beim entfernen der Dichtungsreste darauf achten dass die Dichtfläche nicht zerkratzt wird.
Dichtungsreste mit Dichtungsschaber vorsichtig entfernen (nicht zerkratzen).
-
Erneut mit Isopropylalkohol oder Ethanol reinigen.
-
Feine Partikel mit Druckluft (max. 2 bar) ausblasen.
-
Neue Saug und Druckventile montieren
Saug und Druckventile Haben jeweils Kennzeichnung Druckventil (D), Saugventil (S) sowie jeweils Seriennummern. Da die Ventile unterschiedliche Komponenten verbaut haben je Stufe.
-
Ausrichtung prüfen dass die Ventilkappen, Oberteil (1) problemlos montiert werden können.
-
Beide Ventilkappen, Oberteile (1) einsetzten.
-
Auf die unterschiedliche Höhe der Erhebung vom Niederhalter achten und die höhere Erhebung auf das tiefer sitzende Endstück in der Bohrung ausrichten.
Den Niederhalter (3) wieder montieren.
-
Selbsichernde Muttern (1) mit einem Drehmoment von 45Nm festziehen.
-
Ventilkopf Montage
Ventilkopf (2) um 180 grad drehen und in den Schraubstock spannen.
-
Abb. 322: Ventilkopf Stufe 2 Dichtfläche 
1
Dichtfläche Ventilkopf
2
Ventilkopf
Die Dichtfläche des Ventilkopfs (1) mit der empfohlenen Dichtsilikonpaste bestreichen.
-
Dichtsilikonpaste 5 Minuten anziehen lassen.
-
Kolben noch oben drehen.
-
Abb. 323: Zylinder Stufe 2 
1
Zylinder
2
Dichtfläche Zylinder
3
Lauffläche Zylinder
Visuelle Begutachtung der Lauffläche des Zylinders (3) vor der Montage. Hohnriefen müssen vorhanden sein, aber keine Tiefen Kratzer oder Beschädigungen.
-
Kolben wieder nach unten drehen.
-
Abb. 324: Ventilkopfschrauben demontieren 
1
Ventilkopfschrauben (6x)
2
Ventilkopf
3
Zylinder
-
Ventilkopfschrauben (1) mit einem Drehmoment von 25 Nm gegenüberliegend anziehen.
-
Konen und Gewinde der Rohrleitungen mit Hochtemperaturpaste bestreichen.
-
Abb. 325: Rohrleitung des Sicherheitsventils der 1. Stufe 
Rohrleitung des Sicherheitsventils der 1. Stufe wieder einbauen, Überwurfmuttern handfest anziehen.
-
Überwurfmuttern der Rohrleitungen festziehen.
Wartungstätigkeit der 2/3 Stufe ist somit abgeschlossen.
Stufe 4
Voraussetzungen
-
Die Anlage ist ausgeschaltet ⮫ „Kurzfristige Außerbetriebnahme“.
-
Gegen Wiedereinschalten gesichert.
-
Die Anlage ist drucklos ⮫ „Anlage drucklos machen“.
-
Die rechte obere Seitenverkleidung ist demontiert⮫ „Rechte obere Seitenverkleidung demontieren“

1
Stufe 4
-
Tätigkeit bevor Ventilkopf demontiert wird
Kabel des Temperatursensors der mit Kabelbindern an den Rohrleitungen befestigt ist auftrennen.
-
Steckverbindung des Temperatursensors öffnen und diesen entfernen.
-
Demontage des Ventilkopfs und Aufnahmezylinder des Freiflugkolbens
Abb. 327: Details Grafik Stufe 4 
1
Ventilkopfschraube (6x)
2
Hutmutter
3
Rohrleitung Nachkühler
4
Ventilkopfdeckel
5
Ventilkopf
6
Befestigungsmutter Aufnahmezylinder (4x)
7
Rohrleitung Druckölschmierung
8
Verbindungsrohrleitungen zu 3. Stufe
-
Den darunter liegenden Gewindestift (10) mit einem Innensechskantschlüssel lösen und herausschrauben.
-
Überwurfmutter von der Rohrleitung Druckölschmierung (7) lösen und abschrauben.
-
Rohrleitungen erst entfernen nach der Demontage des Ventilkopfs
Überwurfmuttern der Verbindungrohrleitungen der 3. Stufe (8) lösen dabei auf das gegenhalten achten.
-
Überwurfmutter der Rohrleitung für den Nachkühler (3) der 4. Stufe lösen.
-
Als Hilfe eine Schraube wieder leicht in den Ventilkopf einschrauben um diesen mit leichten Schlägen eines Kunstoffhammers zu lösen.
Nun die Ventilkopfschrauben (6x) (1) gegenüberliegend lösen und vollständig herausdrehen.
-
Ventilkopfdeckel4 abnehmen.
-
Ventilkopf (5) abnehmen.
-
Rohrleitung Druckölschmierung (7) vollständig abnehmen.
-
Abb. 328: Zylinder 4 Stufe 4 
1
O-Ring
2
Kolbenringsatz
3
Kolbenbüchse komplett
4
O-Ring
5
Selbstsichernde Mutter (4x)
6
U-Scheibe (4x)
7
Stiftschraube (4x)
8
O-Ring
9
Kolben komplett
10
Führungszylinder
11
O-Ring
12
Zylinder
-
Führungszylinder (10)mit einem Lappen abdecken, das kein Schmutz ins Kurbelgehäuse gelangt.
-
Demontage der Kolbenbüchse mit integriertem Freiflugkolben
Freiflugkolben wird aus der Kolbenbüchse (3) geschoben und auf einer sauberen Unterlage abgelegt.
-
Zylinder (12) auf optische Beschädigungen prüfen.
-
Zylinder (12) gründlich reinigen.
-
Montage des neuen Kolbenbüchse mit integriertem Freiflugkolben
Freiflugkolben (3) aus der Laufbuchse ziehen.
-
Wichtig hierbei beim wieder einsetzen von unten nach oben in die Buchse schieben und hin und her bewegen.
Freiflugkolben (3) mit Kompressoröl schmieren.
-
Den Führungszylinder (10) um 180 grad drehen.
-
Saug-Druckventile demontieren
Abb. 329: Ventilkopf Stufe 4 mit Saug-Druckventilen 
1
Hutmutter
2
Ventilkopfschraube (6x)
3
U-Scheibe (6x)
4
O-Ring
5
Druckventil
6
Bohrung Verbindungsrohrleitungen zu 3. Stufe
7
Saugventil
8
Ventilkopf
9
Ventilkopfdeckel
10
Gewindestift
11
Dichtring
Druckventil (5) falls notwendig mit einem Gabelschlüssel etwas lockern.
-
Druckventil (5) dann mit Hilfe einer Zange oder Schraubendrehers nach oben herausziehen.
-
Ventilkopf (8) um 180 grad drehen und in den Schraubstock spannen.
-
Hierfür wird der Spezial Ventilschlüssel von Bauer benötigt.
Saugventil (7) mit Spezial Ventilschlüssel lösen.
-
Saugventil (7) herausdrehen.
-
Ventilkopf (8) auf Beschädigungen prüfen.
-
Ventilkopf (8) reinigen.
-
Saug-Druckventile Montage
Saugventil (7) mit Hochtemperaturpaste bestreichen und mit dem Spezial Ventilschlüssel handfest einschrauben.
-
Saugventil (7) mit einem Drehmoment von 30 Nm festziehen.
-
Ventilkopf (8) um 180 grad drehen.
-
Den O-Ring (4) in die Nut einlegen.
-
Montage des Ventilkopf
Ventilkopfdeckel (9) in Schraubstock spannen.
-
Kupferdichtung (11) mit einem Schraubendreher und Kunstoffhammer entfernen.
-
Neue Kupferdichtung (11) in die Nut legen..
-
Abb. 330: Gewindestift im Ventilkopfdeckel 
Gewindestift (10) mit Hochtemperaturpaste bestreichen.
-
Abb. 331: Zylinder 4 Stufe 4 
1
O-Ring
2
Kolbenringsatz
3
Kolbenbüchse komplett
4
O-Ring
5
Selbstsichernde Mutter (4x)
6
U-Scheibe (4x)
7
Stiftschraube (4x)
8
O-Ring
9
Kolben komplett
10
Führungszylinder
11
O-Ring
12
Zylinder
Führungszylinder (10) prüfen, ob der O-Ring () vorhanden ist.
-
O-Ring mit Kompressoröl einölen und im Zylinder () verstreichen.
-
Selbstsichernden Muttern (5) mit einem Drehmoment von 25 Nm gegenüberliegend festziehen.
-
Abb. 332: Details Grafik Stufe 4 
1
Ventilkopfschraube (6x)
2
Hutmutter
3
Rohrleitung Nachkühler
4
Ventilkopfdeckel
5
Ventilkopf
6
Befestigungsmutter Aufnahmezylinder (4x)
7
Rohrleitung Druckölschmierung
8
Verbindungsrohrleitungen zu 3. Stufe
Wiedermontage der Rohrleitung Druckölschmierung (7) , Überwurfmuttern anziehen bis ein Wiederstand spürbarer ist.
-
Überwurfmuttern 90 grad weiter festziehen.
-
Verbindungsleitung Konen und Gewinde mit Hochtemperaturpaste bestreichen.
-
Verbindungsrohrleitungen zu 3. Stufe (8) handfest anschrauben.
-
Schrauben des Ventilkopfdeckels (9) mit Hochtemperaturpaste bestreichen und einsetzen.
-
Ventilkopfdeckel (9) Position dabei beachten.
Ventilkopfdeckel (9) auf Ventilkopf aufsetzen.
-
Schrauben des Ventilkopfdeckel (9) gegenüberliegend handfest anziehen.
-
Schrauben des Ventilkopfdeckel (9) mit einem Drehmoment 25 Nm gegenüberliegend festziehen.
-
Gewindestift (10) mit 15 Nm festziehen.
-
Hutmutter (1) mit 10Nm festziehen.
-
Überwurfmuttern anschließend 90 grad weiter festziehen.
-
Kabel des Temperatursensors wieder mit Kabelbinder befestigen sodass es sich nicht bewegen kann.
-
Temperatursensor Steckverbindung wieder einstecken.
Wartungstätigkeit der 4. Stufe ist abgeschlossen.